Reverse osmosis water purification desalination treatment plant
| Size | According to requirements |
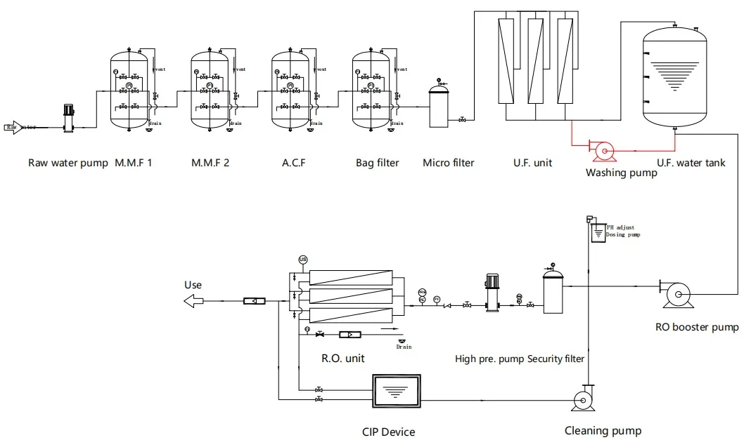
| Configuration | Raw Water Pump Multi media Filter Filter Medium Activated Carbon Filter Filter Medium Cartridge Filter Fliter Element Dosing Device Dosing Pump Dosing Tank
First stage RO Unit High Press Pump RO Membrane Membrane Housing Pressure Gauge Flow Meter Auto Wash Valve Regulating valve Second stage RO Unit High Press Pump RO Membrane Membrane Housing Pressure Gauge Flow Meter Auto Wash Valve Regulating valve CIP System CIP Tank CIP Pump Frame For Stage I,II RO unit Pipes & Fitting
Control panel PLC Level Switch High & Low Pressure Switch Conductivity Meter PH meter Electrical components Wires & Cable |
| Material | UPVC + Stainless steel,FRP |
| Function | Purified water equipment is equipment used to produce pure water to meet the needs of various industries. It is the most common water treatment equipment, widely used in food, chemical, electronics, medicine and other industries. |
FeatureHigh degree of operation automation, the imported parts rate is over 80%;
Low pressure full water automatic shutdown, high pressure full water automatic shutdown;
Water pressure fluctuation protection, automatic controller regularly flushes pre-filter material;
IC microcomputer controller automatically rinses the reverse osmosis membrane, and automatically monitors water quality;
Small footprint, low energy consumption, no pollution; simple process, high water quality, easy operation and maintenance;Application scope:A.electronic industry water: integrated circuit, silicon wafer, display tube, electrode foil and other electronic components flushing water.B. chemical industry water: chemical recycling, chemical products manufacturing, fertilizer production, etc.C. power industry boiler feed water: power plant boiler, medium and low pressure boiler power system.D. food industry water: beverages, beer, liquor, health products, etc.E. drinking pure water: real estate, community, enterprises, etc.F. seawater, brackish water desalination, islands, ships, offshore drilling platforms, brackish water areas.G. other water: automotive, household appliances, coating, coated glass, cosmetics, fine processing products, printing and dyeing, etc.Specification | Model | Flow rate (L/h) | Power(KW) | Water use efficiency | RO membrane | Dimension |
| L X W X H(mm) |
| RO-500L | 500 | 1.5 | ≥ 50% | 4040 | 1650X630X1800 |
| RO-750L | 750 | 2.5 | ≥ 50% | 4040 | 1870X630X1850 |
| RO-1000L | 1000 | 2.5 | ≥ 50% | 4040 | 1870X650X1850 |
| RO-2000L | 2000 | 3.5 | ≥ 50% | 4040 | 2440X650X1750 |
| RO-3000L | 3000 | 4 | ≥ 50% | 4040 | 2440X620X1850 |
| RO-5000L | 5000 | 7.5 | ≥ 50% | 8040 | 2000X900X1800 |
| RO-6000L | 6000 | 9.5 | ≥ 60% | 8040 | 3000X900X1800 |
| RO-8000L | 8000 | 13.5 | ≥ 60% | 8040 | 3000×900×1800 |
| RO-9000L | 9000 | 14 | ≥ 60% | 8040 | 4000X900X1800 |
| RO-10T | 10T/H | 19 | ≥ 60% | 8040 | 3000X900X1800 |
| RO-12T | 12T/H | 19.5 | ≥ 60% | 8040 | 4000X900X1800 |
| RO-15T | 15T/H | 23 | ≥ 60% | 8040 | 4000X900X1950 |
| RO-20T | 20T/H | 28 | ≥ 60% | 8040 | 5000X900X1950 |
| RO-30T | 30T/H | 55 | ≥ 60% | 8040 | 7000X900X1950 |
Ultrafiltration film technology introductionUltrafiltration film is a film filtering between micro-filtering and nanometer-filtering, which is applied to separation,concentration and purfication of substance.It is generally characterized by the retention component in practical applications, and is mainly used to separate macromolecules, colloids and particles in solution from small molecular substances such as solvents.Macromolecules, colloids and particles are trapped on the surface of the membrane, and are taken away by the circulation of the substance to form a concentrated solution, which achieves the purpose of substance separation, concentration and purification.
RO membrane technology introductionReverse osmosis is to separate the solvent (usually water) in the solution through a reverse osmosis membrane (or semi-permeable membrane) with sufficient pressure, so it is called reverse osmosis.
Reverse osmosis, as an efficient desalination technology, can remove impurities such as inorganic ions, bacteria, viruses, organic matter and colloids in raw water to obtain high-quality purified water.
According to the different osmotic pressure of various materials, the reverse osmosis method can be used to achieve the purpose of separation, extraction, purification and concentration.
System process flow diagramRaw water → pre-treatment → fine treatment (UF and RO system)→ post treatment (UV or ozone sterilizer)→ Use
Water treatment equipment show





FAQ1. Q: What products you provide?
A: We are specialized in RO system, EDI system, UF system,Water softener, Sewage water treatment equipment, etc.
2. Q: What's the information you need before order?
A1: what's your raw water ?
A2: what's the capacity per hour of the equipment ?
A3: What's the application of purifier water ?
3. Q: How long is your delivery time?
A: Generally it is 30 days, Depends on your project.
For more information
Wenzhou HengTong Water Treatment CO.,LTD.
ADD:No.922,Jinhai 2nd Avenue,Airport New District,Wenzhou, Zhejiang